


產品概述
適用于35KV用以下的開閉站、變電站、變電所、配電室、配電房的1~24回路的線路測控,與配電網自動化主站和子站系統配合,實現多條線路的電量的采集和控制。常見的配電終端DTU規格有4路、6路、8路、10路、12路、14路、16路、18路、20路、22路、24路等。


配電站所終端DTU概述
主要實現配網在線和離線遠方監控和與配電自動管理,以達到配網安全,可靠,經濟,優質,高效運行之目的。 適用于35KV用以下的開閉站、變電站、變電所、配電室、配電房的1~16回線路測控,與配電網自動化主站和子站系統配合,實現多條線路的電量的采集和控制,檢測故障、故障區域定位、隔離及非故障區域恢復供電,提高供電可靠性。可采集并上傳多回路線路電壓、線路電流、零序電流、設備狀態等運行及故障信息,具備多種方式的通信接口和多種標準通信規約。具有交流采樣、直流遙測、遙控、遙信、錄波、時鐘同步、事件順序記錄、多串口通信、多種通信規約、分布式網絡通信、當地或遠方在線裝載、設置參數、遠程診斷維護等多種功能。
DTU主控單元組成
主控單元主要由遙測板(YC)、MCU 板、遙信板(YX)、遙控板(YK)、電源板 (PWR)組成。其結構如下圖所示:

遙測(YC)功能及接線
可進行交流的采集、轉換、處理模擬量并可同時向主站傳送,實現電流、電壓量的測量,并監視饋線的供電狀況,按線路分,每條線路采集、轉化并處理的模擬量包括以下幾點:
√三相電壓 Ua、Ub、Uc 或則兩線路電壓;
√三相測量電路 Ia、Ib、Ic 或則保護電流;
√各相有功功率與無功功率以及總功率;
√零序電壓3U0與零序電流3I0;
√頻率;
√總功率因數與分相功率因數。

遙信(YX)功能及接線
1、輸入電路可以監視 96 路干接點輸入的數字量(或者 128路),裝置內部的 DC/DC 轉換器輸出隔離的 24VDC 為干接點提供輸入回路驅動電源。
2、允許使用外部隔離電源代替內部 24VDC 作為接點輸入電源。數字輸入的隔離濕電壓采用"或"設計,可以使用電壓高達 48VDC 的外部隔離濕電源。如果采用 48VDC 外部電源,需要通過公司技術人員進行必要配置。
3、雙點遙信的合成:能夠根據采集到的開關分閘與合閘的位置信息,自動生成具有故障態、中間態、合閘及分閘表述能力的雙點遙信信號,支持遙信變位優先傳送。
4、軟遙信生成,包括:裝置故障信號,各線路的過負荷、單相接地、過 電流、相間短路、過電壓、零序過電流等信號。

遙控(YK)功能及接線
1、支持本地手動按鈕實現對斷路器的分、合閘操作,具備控制出口硬壓板,支持控制出口軟壓板功能;
2、裝置接受并執行來自主站或子站的遙控指令,完成開關的分、合閘、閉鎖操作;
3、記錄并保存最近 10 次操作記錄。

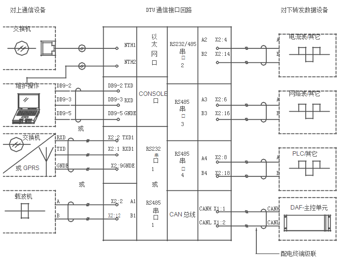
通訊功能及接線
1、站所終端DTU集成有2個RS232口、兩個RS485以及兩個以太網接口,所有通信口均經過光電隔離,具有良好的抗干擾與防雷特性。適用于光纖、載波、無線、專線等各種通信方式。
2、具有豐富的通信規約,如104、DNP3.0、101、SC1801、CAN2.0B 等各種規約,能與國內配電自動化系統各廠家設備接口。

數據傳輸功能
1、與主站(子站)通信,實現數據轉發、信息上傳、接受并執行主站(主站)下發的控制命令,配合完成開關操作等功能。
2、數據任意排序與轉發功能:數據上送時可根據需要在原始的信息庫中進行挑選,并按理想的上送順序進行排序,可以有效的降低配電自動化系統的負擔,提高資源利用率。
3、對時功能接收主站的對時命令,與系統時鐘保持同步,使事件記錄具有可比性。
電源管理功能
1、具有掉電保護,電源重新恢復后,能自啟動。
2、具備蓄電池后備電源,主電源失電后,裝置正常工作不低于 12 小時,支持開關動作次數≥10 次。
3、具備電源充放電管理及維護功能。
4、支持自動、手動、遠方電池活化操作。
技術參數
| 電氣參數 | ||||
| 額定數據 | 交流電壓 | 100V、220V | ||
| 交流電流 | 1A、5A | |||
| 頻率 | 50Hz | |||
| 功率消耗 | 整機功功耗 | <30VA | ||
| 交流電壓 | <0.5VA/相 | |||
| 交流電流 | <0.75VA/相 | |||
| 過載能力 | 交流電壓 | 1.2倍額定電壓:連續工作,2倍額定電壓:允許 1 秒 | ||
| 交流電流 | 1.2倍額定電流,連續工作 | |||
| 主要技術指標 | ||||
| 遙測量精度 | 交流電流采樣精度 | 0.5級 | ||
| 交流電壓采樣精度 | 0.5級 | |||
| 功率采樣精度 | 1級 | |||
| 遙信開入 | 開關量輸入 | 較大128 路(1500VDC 隔離) | ||
| 開關變位分辨率 | 2ms | |||
| 防抖動時間 | 軟件設置,1~32000ms | |||
| 輸入類型 | 接點狀態或電度脈沖量 | |||
| 接點輸入電源 | 24VDC,內部/外部可選擇 | |||
| 輸入電流 | 2.5mA~3.5mA | |||
| 狀態輸出 | 標準 | 16路SBO(16 路繼電器) | ||
| 可靠性 | 軟硬件操作選擇(SBO) | |||
| 輸出繼電器接點 | DC30V 5A、AC250V 5A | |||
| 通訊 | 通信口 | 2個RS232(1200~115.2kbps) | ||
| 以太網口 | 2個10M/100M自識別 | |||
| RS485 | 2個RS485 | |||
| 加強型維護串口 | DB9 | |||
| 工作環境 | ||||
| 溫濕度 | 環境溫度 | -40℃~70℃ | ||
| 較大變化率 | 1℃/h | |||
*主題:
稱呼:
郵箱:
公司:
*電話:
傳真:
備注:
*驗證碼: