


產品概述
光伏電站監控系統又稱為光伏發電監控系統,主要是將光伏電站的逆變器、匯流箱、輻照儀、氣象儀、電表等設備通過數據線連接起來,用光伏電站數據采集器進行這些設備的數據采集,并通過GPRS、以太網、WIFI等方式上傳到網絡服務器或本地電腦,使用戶可以在互聯網或本地電腦上查看相關數據,方便電站管理人員和用戶對光伏電站的運行數據查看和管理。

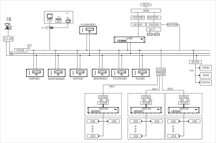
光伏電站監控系統概述
光伏電站監控就是將光伏電站的逆變器、匯流箱、輻照儀、氣象儀、電表、微機保護裝置等設備通過數據線連接起來,用光伏電站數據采集器、通訊管理機、數據網關等設備進行數據采集,并通過GPRS、光纖等方式上傳到用戶服務器或本地電腦,使用戶可以在互聯網或本地電腦上查看相關數據,方便電站管理人員和用戶對光伏電站的運行數據查看和管理??蓪μ柲芄夥娬纠锏碾姵仃嚵?、匯流箱、逆變器、交直流配電柜、等設備進行實時監控和控制,通過各種樣式的圖表及數據快速掌握電站的運行情況,其友好的用戶界面、強大的分析功能、完善的故障報警確保了太陽能光伏發電系統的完全可靠和穩定運行。

光伏電站監控系統主要功能
1、逆變器狀態、斷路器狀態采集與顯示;
2、實時監控逆變器工作狀態,監控其故障信息;
3、系統詳細運行參數顯示;
4、故障記錄及報警;
5、具有電量累計、系統分析、歷史記錄功能;
6、簡單易用的參數設置功能。
光伏電站監控系統主要特點
光伏電站監控系統將成為人們管理光伏電站的工具。可以讓人們進行集群監測和管理,無需到現場逐臺設備查看狀況,更有利于進行數據匯總、生成曲線、數據分析,網絡監控更加便于人們進行遠程管理,大量節約人力成本。光伏電站一般建設在屋頂或者偏僻的地區,現場查看不是很方便,而且發電的數量直接和經濟效益掛鉤,因此光伏監控有利于人們及時發現并解決問題。特別是網絡遠程監控,可以通過手機、郵件等方式通知管理者,第一時間發現問題,并通過遠程查看數據來判斷問題的原因。