浙江仁耀電氣科技提供光伏高壓并網成套柜的生產



4路智能照明時控模塊技術參數
| 項目 | 參數 | ||
| 型號規格 | RY-0416SK | ||
| 工作電壓 | AC220V | ||
| 標稱電流 | 16A | ||
| 輸出回路 | 4路 | ||
| 功耗 | <3W | ||
| 通訊方式 | RS485通訊,標準Modbus-RTU通訊協議 | ||
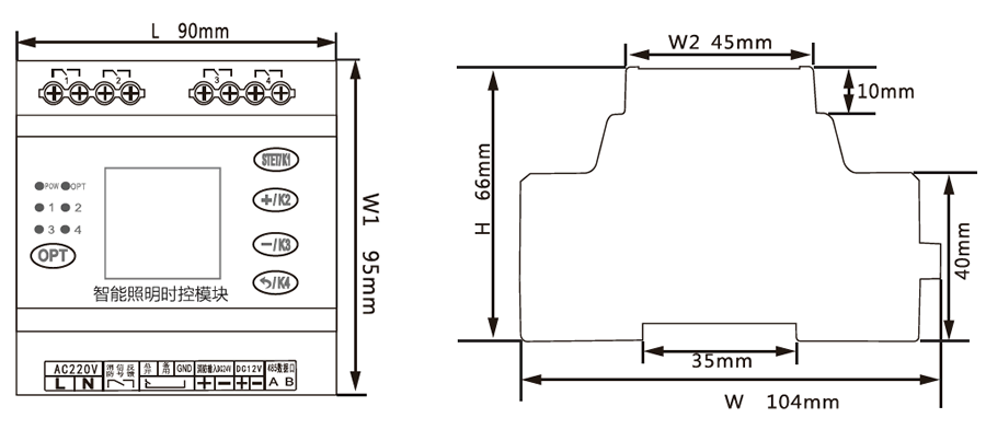
| 外形尺寸 | 90×104×66mm | ||
功能特點
◆LCD液晶顯示;
◆經緯度,天文時鐘控制;
◆時間控制;
◆光控;
◆節假日模式;
◆就地手自動控制;
◆遠程集中控制;
◆消防聯動,強啟強切可設定;
◆消防信息號反饋 ;
◆通訊地址可設定;
◆全開全關延時可設定;
◆上電模式可設定;
◆掉電記憶功能可選擇;
◆波特率可設定;
◆可恢復出廠設置;
◆可外加人體紅外微波感應;
◆可外加無線控制(手機、電腦、PAD);
◆可加電流檢測;
◆標準導軌安裝。
外形尺寸圖

接線原理圖

*主題:
稱呼:
郵箱:
公司:
*電話:
傳真:
備注:
*驗證碼: